如有需要請聯系
手機:15225835568微信同號
電話:0391-7588600
傳真:0391-7588860


電力液壓塊式制動器廣泛用于起重、冶金、礦山、港口、碼頭、建筑機械等機械驅動裝置的減速或停車制動。性能可靠,制動平穩,動作頻率高。主要擺動鉸點設有自潤滑軸承,傳動效率高、壽命長,在使用過程中無需潤滑。
符合標準
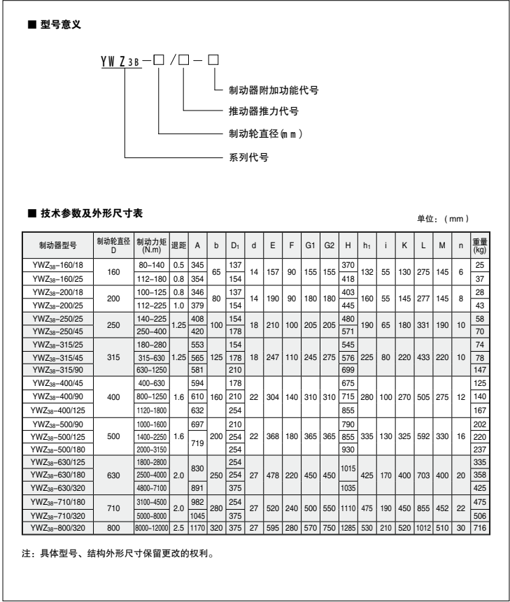
安裝尺寸符合GB633-1986標準。
使用條件
環境溫度:-20℃~+50℃
空氣相對溫度不大于90%
周圍工作環境不得有易燃、易爆及腐蝕性氣體
使用地點的海拔高度符合GB755-2000?
戶外雨雪侵蝕或有腐蝕性氣體和介質應采用防腐型產品

豫公網安備41082302410978號