■ 概述?QP(CQP)系列氣動鉗盤制動器主要用于起重、運輸、冶金、礦山、港 口、建筑等機械中各種機構的制動和減速。
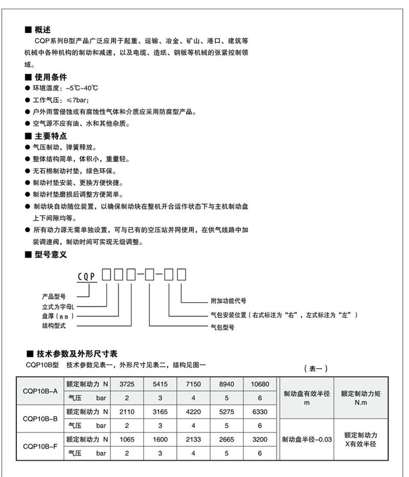
■ 使用條件
● 環境溫度:-5℃~40℃
● 工作氣壓:QP系列為5-7bar;CQP系列為≤7bar。
● 戶外雨雪侵蝕或有腐蝕性氣體和介質應采用防腐型產品。
● 空氣源不應有油、水和其他雜質。
■ 主要特點
● QP系列為彈簧制動,氣動釋放;CQP系列為氣壓制動,彈簧釋放。
● 整體結構簡單,體積小,重量輕。
● 無石棉制動襯墊,綠色環保。
● 制動襯墊安裝采用壓簧卡裝式,更換方便快捷。
● 制動襯墊磨損后調整方便簡單。
● QP系列每種規格制動器的一種盤徑可進行四級制動力矩調整。
● 所有動力源無需單獨設置,可與已有的空壓站并網使用,在供氣線路中加
裝調速閥,制動時間可實現無級調整。











豫公網安備41082302410978號